13701356488 北京天海科科技发展有限公司 天海之间30年凝练磁敏传感技术专家

首页编码器

任意型磁编码器

任意型磁编码器任意型磁编码器任意型磁编码器任意型磁编码器任意型磁编码器

产品简介

● 磁敏非接触信号感应,高可靠长寿命
● 脉冲位置准确度高
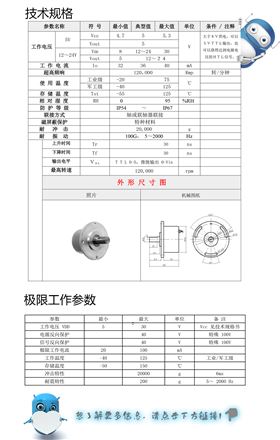
● 分辨率:脉冲数1~1024任意设定
● 增量输出:
  ◆ 脉 冲 :A、B、(A、B),U、V、W
  ◆ 零 脉 冲 :Z(Ri)Z(Ri)
  ◆ TTL 0~5V输出
  ◆ HTL 0~24V 推挽、线驱动
● 超高频响:转速可达 120,000 rpm
● 供电电源:5 ~ 30V
● 温度范围:-40℃~+125℃
● 耐震抗冲,适用于水油气粉尘恶劣工况
● 具有极性保护和抗脉冲尖峰电压保护功能

产品详情

→→点击"下载说明书" 【查看更多信息】


我要下单

  • 姓名
  • 手机
  • 留言

网友热评