360°悬摆倾角传感器
信号输出: 1~5V,0~10V,±5V,±10V
4 ~ 20 mA (适用远传测量)
供电范围: 8V~24V
角分辨率: 0.022°
线 性 度: 0.15% FS,0.3% FS,0.5%FS
复位精度: 电压:±1 mV
电流:±0.01mA
反向保护: 40V(最大)
响应时间: 0.1S
复位重启:看门狗复位重启 ≤2 ms
![]()
QXJT-V/A无触点磁敏倾斜角传感器采用智能磁敏感元件,利用自重摆驱动专用磁路转动,非接触感应磁通量变化,实现对水平面或垂直面相对空间夹角的测量。将微处理器micro-computer与标准化处理电路、电流变送器、多种保护电路系统集成,通过DSP处理,对线性度修正、温度补偿、依量程输出信号标准化、数字滤波、零点设置、多斜率可编程智能控制,实现0~360°用户设定角度的标准电压和4~20电流输出。
QXJT-V/A传感器电源8V~30V,具有反向与抗尖峰电压的保护功能,测量误差±0.3°,复位精度0.05°,温漂20μV/℃或20μA/℃。特置单片机看门狗技术应对电源过载、信号溢出、意外干扰、毫秒级复位,保障传感器安全可靠性。
磁敏倾斜角传感器具有无触点、长寿命、高分辨、低温漂、优线性、精复位、高频响、多保护、抗干扰、耐振抗冲、适用水、油、气、振动、冲击多种恶劣环境,为性价比较高的高新产品。
![]()
测量范围:0~360°(可任选)
信号输出:1~5V,0~10V,±5V,±10V
4~20mA(适用远传测量)
供电范围:8V~24V
角分辨率:0.022°
线性度:0.15%FS,0.3%FS,0.5%FS
复位精度:电压:±1mV
电流:±0.01mA
反向保护:40V(最大)
响应时间:0.1S
复位重启:看门狗复位重启≤2ms
低温漂:
电压输出:±20μV/℃,±50μV/℃
电流输出:±20μA/℃,±60μA/℃
温度范围:-40℃~+125℃
防护等级:IP64~67
![]()
机器人:姿态控制、动臂旋转
医疗器械:动臂姿态、多动医床
纺织机械:张力控制、梭锭线径
工程机械:吊车、起重机、挖掘机
船舶工业:装载水平、浪涌状态
物流管理:集装货柜动态监测
卫星通信:天线俯仰、消防升降
发射装置:俯仰姿态检测
工程高塔:倾斜预警预报系统
建筑行业:水平度垂直度测量
公路桥梁铁路:水平度高差变化测量
冶金煤矿水泥:机械倾斜度测量
![]()

![]()

![]()
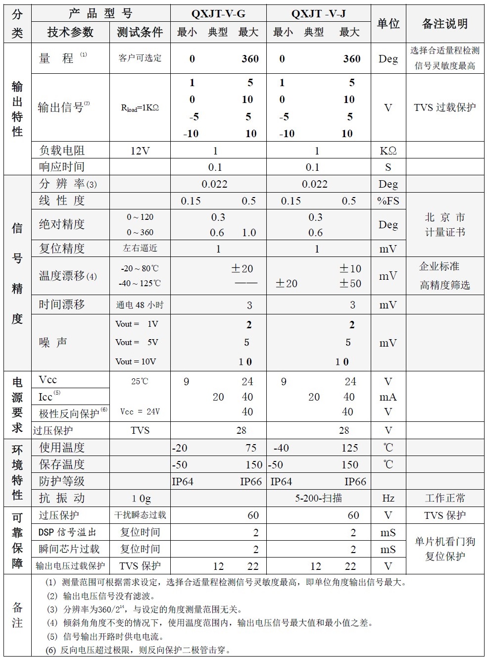
|
参数 |
最小 |
最大 |
单位 |
备 注 |
||
|
工作电压 |
9 |
35 |
V |
标配三线制 |
||
|
电源反向保护 |
|
40 |
V |
特殊 100V |
||
|
信号反向保护 |
|
40 |
V |
特殊 100V |
||
|
工作温度 |
G |
-30 |
75 |
℃ |
工业级 |
|
|
J |
-40 |
125 |
℃ |
军工器件级 |
||
|
存储温度 |
-40 |
125 |
℃ |
|
||
|
四线制 |
回路电流 |
>5 |
|
A |
强弱电混合电路,强电负载电流大,推荐浮地方式 |
|
|
工作电压 |
12 |
24 |
V |
|||
![]()
![]()
QXJT-V/A倾斜角传感器具有8V~30V较宽的供电电压范围。电源供电系统有反向保护二极管,反向保护电压为40V。
在工业使用环境中,往往存在感性或容性负载,当电源线路连接或断开时可产生25~60V的尖峰脉冲电压,容易造成传感器电路系统损坏。QXJT-V/A倾斜角传感器对特定使用环境,采用电源输入瞬态电压抑制(TVS)等保护措施,范围视工况采用40V(默认)~100V,有效地抑制尖峰脉冲的干扰,使传感器电路系统安全可靠地工作。
在强弱电混合使用的工业环境中,强电负载如果电流过大,共地回路有可能对传感器检测回路产生影响,甚至影响传感器的使用寿命,QXJT-V/A倾斜角传感器特别开发出四线制传感器。即工作系统地线(GND)与倾斜角传感器负极分离浮地,大大提高传感器的使用寿命及抗干扰能力。
![]()
QXJT倾斜角传感器将自重摆锤与无触点磁敏角度传感器一体化设计。固定在精密仪表轴承上的摆锤受重力加速度影响,始终保持与地表水平面垂直。当倾斜角传感器外壳发生转动时,固定在转轴的专用磁路与外壳之间产生相对转动。利用差动集成磁敏感元件非接触感应旋转磁通量的变化。利用磁电子技术与微处理器(micro-computer)结合,实现对检出信号的智能化处理,获得标准化电压与电流的输出信号。
自重摆式倾斜角传感器检测精度越高,要求精密轴承的摩擦力矩越小。为了克服传感器转动时摆锤晃动造成输出信号稳定性的影响,QXJT倾斜角传感器密封了能适用-60~200℃的阻尼硅油,保证了静态或准静态倾斜角变化稳定的电信号输出。该类传感器配有专用支撑架,方便传感器的水平与垂直安装,更方便机械中点与电中点重合的调节。
![]()
QXJT-V/A倾斜角传感器通过DSP程序化处理,采用电流变送器集成一体化设计,测量角度范围可根据用户需求可在0~360°范围内设定。输出工业标准化0~5V,0~10V±5V、±10V电压信号和4~20mA电流信号。电流输出信号特别适用于较远距离进行角度位置检测。QXJT-V/A传感器可与显示仪表或可编程控制器(PLC)连接使用。
对于QXJT-A电流输出倾斜角传感器负载电阻为标准250Ω,远传后提取的负载电压信号对应1.000~5.000V。若需要带动较大负载,保证精度在Vcc=24V时,最大负载390Ω。精度略有损失,最大负载可达800Ω.
在没有滤波时噪声峰-峰值达20mV。采用如图所示滤波电路及参数,信号噪声峰-峰值降到最大2mV。滤波电阻和电容的值越大,滤波效果越好,但信号响应速度降低。根据实际应用情况,选择合适的滤波电路参数。
电流输出级有反向保护二极管,其反向击穿电压达40V(默认),具有瞬态电压抑制(TVS)保护,可防止静电和瞬间信号线连接至电源电压(VCC)而造成传感器受损。视客户需求可以达到100V。有效防止因信号线误接至电源(VCC)正极而损坏信号输出级。工业环境可能使信号输出级遭受更高的瞬态电压,因此,为了更好地保护传感器,可能需要外加特殊的防浪涌等保护措施。
瞬态电压抑制器(TVS)在击穿的情况下不能长时间工作,所以特别注意信号线不要长时间误接到电源电压(VCC),防止传感器内置的瞬态电压抑制器损坏而失去保护功能,进而损坏传感器信号输出级。QXJT倾斜角传感器输出级瞬态抑制器(TVS)击穿电压30V。
为了提高传感器的稳定性可靠性,特针对电源过载、瞬间干扰、数据溢出、温补超限、静电干扰、内存溢出、特置单片机看门狗技术进行置位复位进行小于2毫秒的复位(reset),保障传感器运行的安全可靠性。
QXJT-V/A倾斜角传感器输出级瞬态抑制器(TVS)击穿电压28V
![]()
QXJT-V/A传感器角度分辨率为0.022°。为抑制传感器敏感芯片采样时的噪声,传感器使用滞回滤波器,滞回值为最小分辨率的2倍,即角度变化量超过0.044°时输出才会更新。测量精度与角度测量范围有关,详见“技术规格”部分。角度测量范围在120°内,最高精度依型号绝对误差<0.15°。在360°范围内,绝对误差<0.6°。

QXJT-V/A敏感元件采样时间典型为600μS,即输出更新间隔约600μS。快速模式下采样时间可达200μS,但传感器功耗相应增大。根据需求可做相应的参数设置。
由于悬臂摆倾斜角传感器利用内部密封阻尼油减缓倾斜角度发生变化过程中振动对输出信号稳定性的影响。响应时间0.1S。
![]()
不同的温度环境下,传感器输出信号随温度的变化,影响传感器测量精度。QXJT-V/A倾斜角传感器采用MEMS工艺将纳米磁集束薄膜材料与差动阵列磁敏感元件一体化设计,集成微处理器(micro-computer)通过DSP处理,对温度特性进行补偿。在-20℃~+75℃范围内,QXJT-V/A型倾斜角传感器信号温漂依型号为±10~20mV。在-40℃~+125℃范围内±30~50mV。高精度低温漂产品可筛选。

QXJT-V/A倾斜角传感器测量角度满量程为360°。根据客户的需求,测量范围常规使用范围为:
0~40°(±20°);0~90°(±45°);
0~180°(±90°);0~360°(±180°).
其他角度范围可以根据客户具体需求设定。不同的倾斜角测量范围,对应的输出电压信号是一样的,即0~5V或0~10V±5V、±10V。对于电流输出倾斜角传感器输出信号为4~20mA。
正确选择量程可以最大限度发挥传感器检出信号的灵敏度,即转动单位角度对应的输出信号值最大。倾斜角测量范围与测量精度的关系详见“技术规格”部分。
电压输出倾斜角传感器测量区间如图2所示:
1)、θ对应于测量角度区间;
2)、V0,测量起点;Vmax,测量终点;
对于0~5V,0~10V:V0=0,Vmax=5V或10V;
对于±5V、±10V:V0=:-5V,Vmax=+5V
3)、Vmid为测量区间中点,推荐传感器装配时以此点为基准,边缘累积误差最小。
对于0~5V:Vmid=1/2Vmax=2.50V
对于0~10V:Vmax=1/2Vmax=5.00V
对于±5V、±10V:Vmax=0.00V
4)、如果测量区间为360°时,模拟量从0跳变到10V点时,有0.5°的测量死区。
5)、如图箭头所示,输出信号为顺时针增大;需要逆时针增大时,DWQT-V倾斜角传感器可程序设定。
同理,电流输出倾斜角传感器测量区间:将字母I替换字母V,具体替换说明如下:
1)、θ对应于测量角度区间;
2)、I0=4mA,测量起点;Imax=20mA,测量终点;
3)、Imid=12mA为测量区间中点,推荐传感器装配时以此点为基准,边缘累积误差最小。
4)、如果测量区间为360°时,模拟量从4mA跳变到20mA点时,有0.5°的测量死区。
5)、如图箭头所示,输出信号为顺时针增大;如需要逆时针增大时,传感器可程序设定。
![]()
北京天海科科技发展有限公司
手机:18701312139(张经理) 18310906359(张经理)
电话:010-82376719 18310906359
传真:010-82376719
微信:1810906359
邮箱:ytian202@126.com
地址:北京市海淀区中关村大街18号B座9层905室
| * 联系人: | 请填写您的真实姓名 |
| * 手机号码: | 请填写您的联系电话 |
| * 电子邮件: | |
| * 采购意向描述: | |
| * 验证码: |
|

- 高精度数字倾角传感器
- 名称:高精度数字倾角传感器
型号:QXJH2-485
测量范围: ±88°
信号输出: RS485
供电范围: 8V~12V
角分辨率: 0.001°
线 性 度: 0.1% FS,0.3% FS
防护等级: IP 64 ~ 68

- 高精度电流倾角传感器
- 名称:高精度电流倾角传感器
型号:QXJH2-A
测量范围:±88°
信号输出:4~20mA、RS485
供电范围:12V~24V
角分辨率:0.001°
绝对精度:0.10°
线 性 度: 0.15% FS,0.3% FS
防护等级:IP64~68
__________________________________________________
产品概述:
嵌入式微处理器与数控角秒级校准装置结合,可同时实现 4~20mA、RS485输出,0.1%FS的高精度测量

- 悬摆倾角传感器
- 测量范围: 0~360°(可任选)
信号输出: 1~5V,0~10V,±5V,±10V
4 ~ 20 mA (适用远传测量)
供电范围: 8V~24V
角分辨率: 0.022°
线 性 度: 0.15% FS,0.3% FS,0.5%FS
复位精度: 电压:±1 mV
电流:±0.01mA
反向保护: 40V(最大)
响应时间: 0.1S
复位重启:看门狗复位重启 ≤2 ms
| 我要评论: | |
| *内 容: |
|
| 验证码: |
|








共有-条评论【我要评论】