悬摆倾角传感器
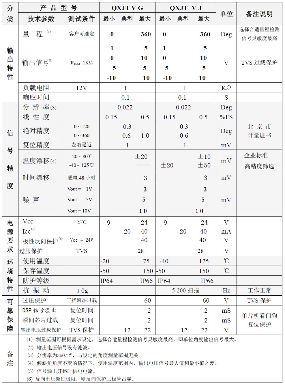
信号输出: 1~5V,0~10V,±5V,±10V
4 ~ 20 mA (适用远传测量)
供电范围: 8V~24V
角分辨率: 0.022°
线 性 度: 0.15% FS,0.3% FS,0.5%FS
复位精度: 电压:±1 mV
电流:±0.01mA
反向保护: 40V(最大)
响应时间: 0.1S
复位重启:看门狗复位重启 ≤2 ms

![]()
不同的温度环境下,传感器输出信号随温度的变化,影响传感器测量精度。QXJT-V/A倾斜角传感器采用MEMS工艺将纳米磁集束薄膜材料与差动阵列磁敏感元件一体化设计,集成微处理器(micro-computer)通过DSP处理,对温度特性进行补偿。在-20℃~+75℃范围内,QXJT-V/A型倾斜角传感器信号温漂依型号为±10~20mV。在-40℃~+125℃范围内±30~50mV。高精度低温漂产品可筛选。



![]()
北京天海科科技发展有限公司
手机:18701312139(张经理) 18310906359(张经理)
电话:010-82376719 18310906359
传真:010-82376719
微信:1810906359
邮箱:ytian202@126.com
地址:北京市海淀区中关村大街18号B座9层905室
| * 联系人: | 请填写您的真实姓名 |
| * 手机号码: | 请填写您的联系电话 |
| * 电子邮件: | |
| * 采购意向描述: | |
| * 验证码: |
|

- 高精度数字倾角传感器
- 名称:高精度数字倾角传感器
型号:QXJH2-485
测量范围: ±88°
信号输出: RS485
供电范围: 8V~12V
角分辨率: 0.001°
线 性 度: 0.1% FS,0.3% FS
防护等级: IP 64 ~ 68

- 高精度电流倾角传感器
- 名称:高精度电流倾角传感器
型号:QXJH2-A
测量范围:±88°
信号输出:4~20mA、RS485
供电范围:12V~24V
角分辨率:0.001°
绝对精度:0.10°
线 性 度: 0.15% FS,0.3% FS
防护等级:IP64~68
__________________________________________________
产品概述:
嵌入式微处理器与数控角秒级校准装置结合,可同时实现 4~20mA、RS485输出,0.1%FS的高精度测量

- 360°悬摆倾角传感器
- 测量范围: 0~360°(可任选)
信号输出: 1~5V,0~10V,±5V,±10V
4 ~ 20 mA (适用远传测量)
供电范围: 8V~24V
角分辨率: 0.022°
线 性 度: 0.15% FS,0.3% FS,0.5%FS
复位精度: 电压:±1 mV
电流:±0.01mA
反向保护: 40V(最大)
响应时间: 0.1S
复位重启:看门狗复位重启 ≤2 ms
| 我要评论: | |
| *内 容: |
|
| 验证码: |
|








共有-条评论【我要评论】